• 首页

  • 产品中心

    
    • 光磊MOS

    • 固驰整流桥

    • 中科芯MCU

    • 成都芯进

    • 福特继电器

    • 旺荣继电器

    • 华润IGBT

    • 世特美电流传感器模组

    • 麦歌恩

    • 中微爱芯

  • 解决方案

    
    • 光伏储能行业

    • 工业控制

    • 白色家电行业

    • 低压电力行业

    • 新能源汽车电子行业

  • 新闻资讯

    
    • 行业资讯

    • 企业新闻

    • 热点新闻

  • 关于尚旭

    
    • 公司简介

    • 企业文化

    • 品牌授权认证

  • 联系尚旭

索取样品

当前位置: 首页 > 产品中心 > 福特继电器 > 汽车继电器 > NVFM

按品牌分类   |

  • 光磊MOS

  • 固驰整流桥

    
    • 单相整流模块

    • 单相半控整流模块

    • 三相整流模块

    • 三相半控整流模块

    • 单臂旋转整流模块

    • 单相整流桥

    • 三相整流桥

  • 中科芯MCU

    
    • M0 核MCU

    • M3 核MCU

    • M4 核MCU

  • 成都芯进

    
    • 电流传感器产品选型表

    • 通用磁隔离数字隔离器

    • 线性霍尔芯片

    • 霍尔开关

    • 电表专用磁隔离数字隔离器芯片

  • 福特继电器

    
    • 汽车继电器

    • 功率继电器

  • 旺荣继电器

    
    • 通用继电器

    • 工业继电器

  • 华润IGBT

    
    • IGBT 模块

  • 世特美电流传感器模组

    
    • 霍尔开环

    • 霍尔闭环

  • 麦歌恩

    
    • 集成式电流检测芯片

    • 高速磁性角度编码IC

    • 低速磁性角度编码IC

    • 电流传感器模组

  • 中微爱芯

    
    • 显示驱动

    • MCU

    • 逻辑

    • 信号链

    • 电源

    • 马达及栅驱动

    • 音响

    • 遥控器

    • 通信

    • 配套

NVFM
NVFM
索取样品
购买渠道
联系尚旭

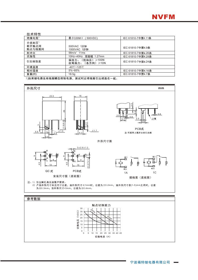
线圈电压 : DC

额定负载电流: 35A,25A

负载电压 : 14VDC

触点形式 : 一组常开, 一组转换

外形尺寸:23.5*15.8*25.7 (mm)

NVFM0000

NVFM0001


技术支持        185 6153 6907

地址 / 山东省青岛市城阳区夏庄街道书雨路118号启元工业科创园8号楼102厂房3楼

Copyright © 2022 青岛尚旭电子有限公司 版权所有 鲁ICP备2022033047号



购买渠道

尚旭欢迎您的来信

请将详细购买意向发邮件至以下邮箱,我们在收到邮件后会第一时间联系您!

xuxu@qingdao-sunshine.com
